INDEMAK
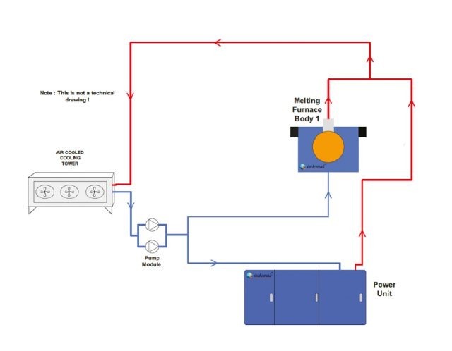
В системах охлаждения такого типа нет необходимости в бассейнах и резервуарах для воды. Силовой контур и контур печи полностью замкнуты, потери воды в системе отсутствуют. В системе циркулирует дистиллированная вода. Для предотвращения замерзания системы в зимних условиях необходимо добавить моноэтиленгликоль. При отключении электричества циркуляция воды может быть обеспечена насосом постоянного тока или дизельным насосом, а насосы могут работать от генератора.



